
倘若您有什么疑問或是對我公司有任何
的意見和建議都可通過:
的意見和建議都可通過:
公司名稱: 鞏義市西村鎮華豐給排水材料廠
公司地址: 河南省鞏義市西村開發區
電話: 0371-64033589
手機: 18638168566,13683712868
13783416000(技術)
聯系人: 王先生,位女士
郵政編碼: 451200
E-MAIL: 1696257948@qq.com
網址:http://www.chindor.com/
網址:http://www.chindor.com/
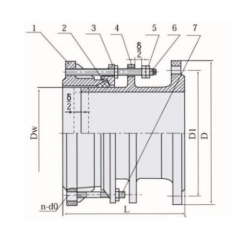
雙法蘭不銹鋼伸縮接頭
標簽: 雙法蘭不銹鋼伸縮接頭是由本體、密封圈、壓蓋、伸縮短管等主要部件組成。在松套伸縮接頭原有性能的基礎上增設限位裝置,在大伸縮量處用雙螺母鎖定。管道在允許的伸縮量中可以自由伸縮,一旦超過其大伸縮量就起到限位,確保管道的安全運行,特別適用于有振動或有一定斜度及拐彎的管路中的連接。
安裝:
雙法蘭不銹鋼伸縮接頭適用于兩邊均與法蘭連接,安裝時調整產品兩端與法蘭的連接長度,對角依次均勻擰緊壓蓋螺栓,再調整好限位螺母,這樣就能讓管道在伸縮量范圍內可以自由伸縮,鎖定伸縮量,確保管道的安全運行。適用于兩邊均與法蘭連接的管道中,安裝時調節產品兩端與法蘭的安裝長度,對角集資均勻擰緊壓蓋螺栓,使其成為以整體,并有一定的位移量,方便安裝維修時,根據現場尺寸進行調整。在工作時可以反軸向推力傳遞至整個管道。能降低被連接件的壓力推力(盲板力)和補償管路安裝誤差,雙法蘭伸縮接頭不能吸收軸向位移。雙法蘭伸縮接頭主要用于泵、閥門等附件的松套連接。
型號:
B2F型雙法蘭不銹鋼伸縮接頭采用GB/T12465-2007標準,雙法蘭伸縮接頭以前的型號為VSSJAF。
材質:
雙法蘭不銹鋼伸縮接頭的材質:304不銹鋼。
參數表
更多產品詳情可來電咨詢
參數表
|
公稱通徑 |
管子外徑 |
外形尺寸 |
伸縮量 |
法蘭連接尺寸 | ||||||
|
Dw |
L |
L1 |
0.6MPa |
1.0MPa | ||||||
|
D |
D1 |
n-d。 |
D |
D1 |
n-d。 | |||||
|
65 |
76 |
340 |
105 |
50 |
160 |
130 |
4-¢14 |
185 |
145 |
4-¢18 |
|
80 |
89 |
190 |
150 |
4-¢18 |
200 |
160 |
8-¢18 | |||
|
100 |
108 |
210 |
170 |
220 |
180 | |||||
|
114 | ||||||||||
|
125 |
133 |
240 |
200 |
8-¢18 |
250 |
210 | ||||
|
140 | ||||||||||
|
150 |
159 |
265 |
225 |
285 |
240 |
8-¢22 | ||||
|
168 | ||||||||||
|
200 |
219 |
320 |
280 |
340 |
295 | |||||
|
250 |
273 |
370 |
335 |
12-¢18 |
395 |
350 |
12-¢22 | |||
|
300 |
325 |
350 |
130 |
65 |
440 |
395 |
12-¢22 |
445 |
400 | |
|
350 |
377 |
490 |
445 |
505 |
460 |
16-¢22 | ||||
|
400 |
426 |
540 |
495 |
16-¢22 |
565 |
515 |
16-¢26 | |||
|
450 |
480 |
595 |
550 |
615 |
565 |
20-¢26 | ||||
|
500 |
530 |
645 |
600 |
20-¢22 |
670 |
620 | ||||
|
600 |
630 |
755 |
705 |
20-¢26 |
780 |
725 |
20-¢30 | |||
|
700 |
720 |
860 |
810 |
24-¢26 |
895 |
840 |
24-¢30 | |||
|
800 |
820 |
590 |
220 |
130 |
975 |
920 |
24-¢30 |
1015 |
950 |
24-¢33 |
|
900 |
920 |
1075 |
1020 |
1115 |
1015 |
28-¢33 | ||||
|
1000 |
1020 |
1175 |
1120 |
28-¢30 |
1230 |
1160 |
28-¢36 | |||
|
1200 |
1220 |
1405 |
1340 |
32-¢33 |
1455 |
1380 |
32-¢40 | |||
|
1400 |
1420 |
1630 |
1560 |
36-¢36 |
1675 |
1590 |
36-¢42 | |||
|
1500 |
1520 |
1730 |
1660 |
- |
- |
- | ||||
|
1600 |
1620 |
1830 |
1760 |
40-¢36 |
1915 |
1820 |
40-¢48 | |||
|
1800 |
1820 |
2045 |
1970 |
44-¢40 |
2115 |
2020 |
44-¢48 | |||
|
2000 |
2020 |
2265 |
2180 |
48-¢42 |
2325 |
2230 |
48-¢48 | |||
|
2200 |
2220 |
2475 |
2390 |
52-¢42 |
2550 |
2440 |
52-¢56 | |||
|
2400 |
2420 |
2685 |
2600 |
56-¢42 |
2760 |
2650 |
56-¢56 | |||
更多產品詳情可來電咨詢
聯系人:王先生 13783416000 魏女士 13683712868
上一篇:萬向接頭
下一篇:罩型通氣管
版權所有:華豐管道 地址:河南省鞏義市西村開發區 服務熱線:0371-64033589 管理入口E-MAIL: 1696257948@qq.com 手機: 18638168566,13783416000
網站備案/許可證號: 豫ICP備11026537號-5
豫公網安備 41910102000259號 技術支持:鞏義開啟網絡
本網站支持新廣告法,為不影響客戶瀏覽,頁面區域用詞正在排查修改,本店所有頁面絕對化用詞和功能性用詞在此聲明前全部失效,不接受不妥協任何形式的絕對化用詞和功能性用詞賠付,希望各位消費者理解,職業打假人高抬貴手。 網站備案/許可證號: 豫ICP備11026537號-5
豫公網安備 41910102000259號 技術支持:鞏義開啟網絡


